Ribbon
  HOME RESUME ENGINEERING ARCHITECTURE ARTWORK PUBLICATIONS CONTACT
ENGINEERING

ARTIFICIAL BLOOD SUPPLY SYSTEM

Status:
Produced for:

Team members:
Acknowledgments:
Work in progress as of 2013
uOttawa Skills and Simulation Centre, started as a project for 2nd-year Electrical Circuits for Engineers course (ELG 2336)
Sofia Benitez, Tessa Clarke, and Maddi Proud
Khadijah Ahmad for programming assistance
 
The Artificial Blood Supply System (ABSS) is being developped to supply artificial blood to a surgical simulation system used to train medical students at the University of Ottawa Skills and Simulation Centre. The system has gone through a total of three iterations, the last of which can be controlled remotely and can produce pulsatile flow.
When completed, the ABSS will be integrated into this surgical training setup. It will supply artificial blood, at adjustable flow rates, to porcine organs fitted into the simulator.
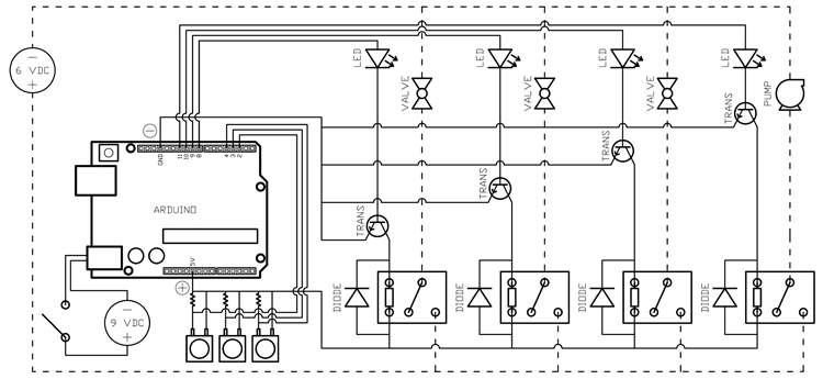
First iteration system diagram and circuit.
Video showing the second ABSS iteration in operation.
Second iteration soldered circuit and peripherals.
Video showing the third, and most recent, ABSS iteration. It improves on the second iteration by incorporating wireless control and pulsatile flow features.
  TOP HOME CONTACT     © Matthieu Lemay 2015