Ribbon
  HOME RESUME ENGINEERING ARCHITECTURE ARTWORK PUBLICATIONS CONTACT
ENGINEERING

STRYDER

Date:
Produced for:
Team members:
September - December 2015
4th-year Capstone project, Computer Aided Design (MCG 4322)
Jonathan Bédard Schami, Olivier Miguel
 
The STRYDER is a passive assistive exoskeleton designed to increase the efficiency of walking, thereby extending the user’s walking range. The STRYDER’s design was inspired by three conceptual pillars: harvesting the potential energy of the user’s centre of mass and releasing the energy at critical points in the gait cycle, precluding any restriction to natural joint motion so as to avoid compromising natural stability during gait, and utilising consistent and reliable event-based actuation triggers in order to ensure proper device operation for all users.
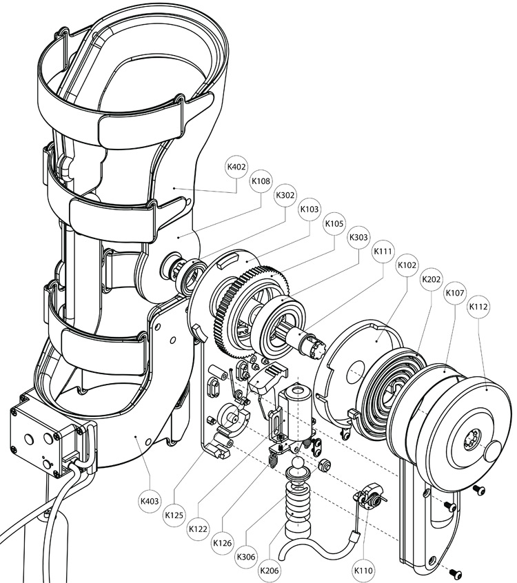
The STRYDER is composed of three main components which include the rigid belt and hip mechanism, the knee brace and ankle mechanism, and finally the shoe. The distal ends of the hip cable and ankle cable are attached to the knee brace and shoe, respectively, when the exoskeleton is worn.
Exploded view of the STRYDER exoskeleton.
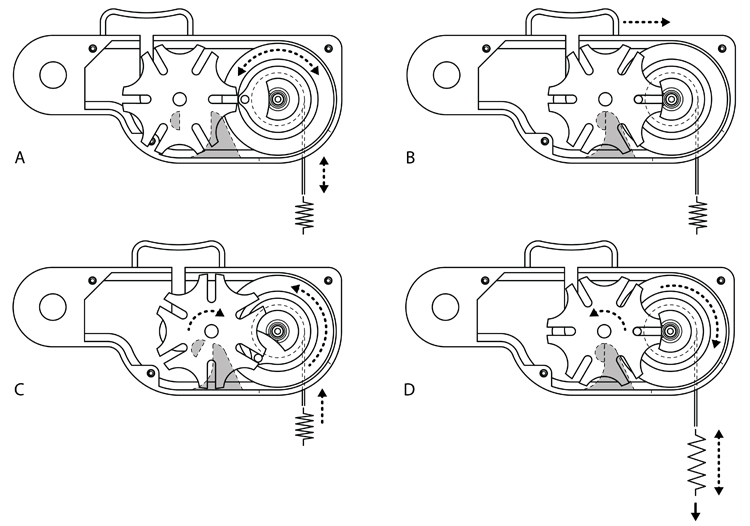
Diagram showing the exoskeleton’s operation throughout the different stages of the gait cycle. The mechanisms that are active at each stage are coloured in red.
Exploded detail view of the knee brace triggering mechanism.
Exploded detail view of the shoe. Hydraulic sacs built into the shoes actuate the various mechanisms of the exoskeleton during specific moments of the gait cycle.
The knee mechanism features a spiral spring as an energy storing mechanism and a ball detent to release the torque when the user’s knee is flexed beyond a predetermined angular displacement.
The hip mechanism features a Geneva drive to track the angular position of the upper leg in order to ensure that the hip spring is activated at the appropriate time during the gait cycle.
A human gait analysis was performed to validate the power savings produced by the exoskeleton. This was done by constructing a model of the system and performing inverse dynamics.
The plots above illustrate the power exerted by the user during the entire gait cycle at the hip, knee, and ankle. The results of the dynamic analysis reveals that the exoskeleton successfully reduces the user’s power requirements where intended, indicated by the grey bands in the figures. However, the weight of the device produces notable increases in power requirements in other areas of the gait cycle. Future work on the exoskeleton would involve reducing the weight of the device.
  TOP HOME CONTACT     © Matthieu Lemay 2015